Step 1:Ideation
The first thing is to choose something to make, according to specific requirements. To be made of wood, and to be manufactured by a laser machine or CNC machine.This manufacturing method has special considerations, such as the need to have joints. so I chose the Pacman bookshelf to implement it.
Step 2:solidworks dimensions
I start drawing dimensions on SolidWorks. The bookshelf contains 10 parts. One of them is the wall and the rest is the shelves. The main dimension is the dimensions of the Pacman circle. it's 800mm diameter
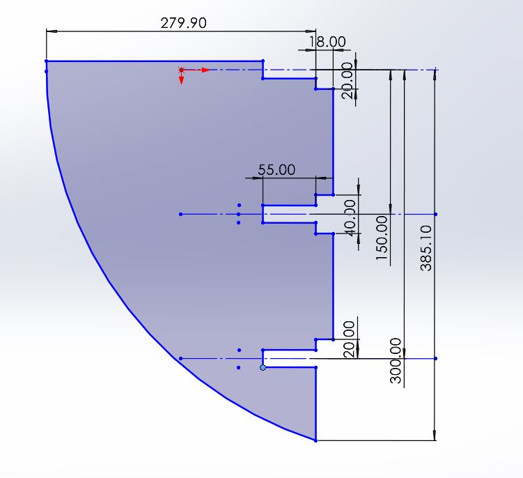
Step 3:
the dimentions of the remain shelves
Step 4:cutting
Step 5:gathering
